- 手機:
- 137 6026 2620
- 經理:
- 何經理
- 郵箱:
- jesion.he@ac-led.com.cn
- 地址:
- 深圳市光明區公明街道上村上輦工業區5棟3樓
產品概述HX3328B DC-DC降壓恒流LED驅動IC
內置MOS開關降壓恒流芯片規格書
一、概述
HX3328是一款內置100V功率MOS高效率高精度開關降壓型大功率LED恒流驅動芯片。 HX3328采用固定關斷時間的鋒值電流控制方式,關斷時間可以通過外部電容進行調節,工作頻率可以根據用戶要求而改變。
HX3328通過調節外置的電流采樣電阻,能控制高亮度的LED燈的驅動電流,使LED燈亮度達到預期恒定亮度。
HX3328在DIM端加PWM信號,可以進行PWM調光,DIM端同時支持線性調光。
HX3328內部還集成了VDD穩壓管以及過溫保護電路,減少外圍元件并提高了系統的可靠性。并采用了ESOP8封裝,底部散熱片內置接SW腳。
二、特點
◆內置100V MOS
◆最大工作電流1.5A
◆寬壓輸入范圍3.6-100v
◆高效率,可達93%
◆支持PWM和線性調光
◆最大工作頻率:1MHz
◆CS電壓:250mV
◆芯片供電欠電壓保護:3.2V
◆關斷時間可調
◆智能過溫保護
◆內置VDD穩壓管
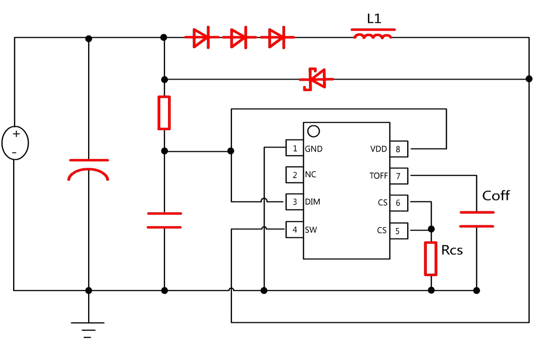
三、管腳圖
|
腳位圖 |
序號 |
管腳 |
功能 |
|
ESOP-8 |
1 |
GND |
接地 |
|
2 |
NC |
懸空 |
|
|
3 |
DIM |
調光腳,支持PWM調光和線性調光;DIM接地則關斷輸出,DIM電壓高過3.0V則電流100%輸出 |
|
|
4 |
SW |
開關腳,接內置MOS管漏極 |
|
|
5 |
CS |
5,6腳短接,電感峰值電流檢測腳 |
|
|
6 |
CS |
5,6腳短接,電感峰值電流檢測腳 |
|
|
7 |
TOFF |
關斷時間設置 |
|
|
8 |
VDD |
芯片電源 |
四、應用領域
◆自行車,電動車,摩托車燈
◆強光手電筒
◆LED射燈
◆大功率LED照明
◆LED背光燈
應用
上一條 : HX3326A DC-DC降壓恒流LED驅動IC
下一條 : HX3330B DC-DC升壓恒流LED驅動IC
