- 手機:
- 137 6026 2620
- 經理:
- 何經理
- 郵箱:
- jesion.he@ac-led.com.cn
- 地址:
- 深圳市光明區公明街道上村上輦工業區5棟3樓
產品概述單路雙通道線性恒流芯片
單路雙通道線性恒流芯片
概述
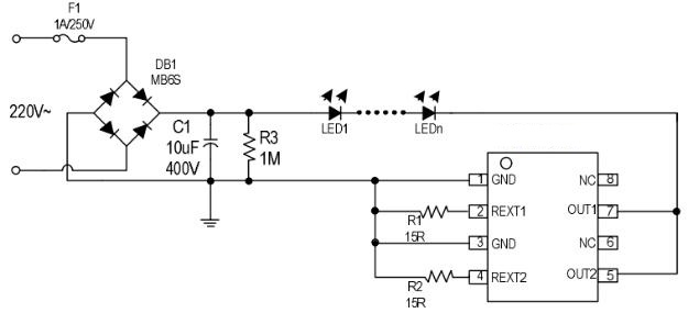
HX1000AH 是雙通道LED恒流驅動控制芯片,芯片使用本司專利的恒流設定和控制技術, 輸出電流由外接Rext 電阻設置最大可達100mA,且輸出電流不隨芯片OUT 端口電壓而變化,較好的恒流性能。系統結構簡單,外圍元件極少,低成本方案低。
特點
? OUT端口輸出電流外置可調
? 芯片間輸出電流偏差<±4%
? 具有過熱保護功能
? 芯片可與LED共用PCB板
? 芯片應用系統無EMI問題
? 線路簡單、成本低廉
? 采用 ESOP-8 封裝
產品應用
? LED球泡燈,吸頂燈,筒燈,燈絲燈,G9,橫插燈,玉米燈等小體積燈具。
? LED日光燈管
? LED路燈照明應用
定購信息
|
定購代碼 |
包裝 |
打印 |
|
HX1000AH |
4000個/盤 |
1000AXXXX |
引腳圖及說明
|
ESOP-8 |
序號 |
引腳名稱 |
引腳說明 |
|
1 |
GND1 |
芯片地1 |
|
|
2 |
REXT1 |
輸出電流值設置端1 |
|
|
3 |
GND2 |
芯片地2 |
|
|
4 |
REXT2 |
輸出電流值設置端2 |
|
|
5 |
OUT2 |
芯片電源輸入與恒流輸出端口2 |
|
|
6 |
NC |
懸空 |
|
|
7 |
OUT1 |
芯片電源輸入與恒流輸出端口1 |
|
|
8 |
NC |
懸空 |
極限參數
|
參數 |
符號 |
范圍 |
單位 |
|
OUT端口電壓 |
VOUT |
-0.5~500 |
V |
|
OUT端口電流 |
IOUT |
5~100 |
mA |
|
工作溫度 |
TOPT |
-40~120 |
℃ |
|
存儲溫度 |
TSTG |
-50~120 |
℃ |
|
ESD耐壓 |
VESD |
2 |
KV |
熱阻參數
|
符號 |
說明 |
ESOP-8 |
單位 |
|
RTHJA |
熱阻(1) |
89.2 |
℃/W |
電氣參數
(無特殊說明,TA=25℃)
|
符號 |
參數 |
條件 |
最小值 |
典型值 |
最大值 |
單位 |
|
VOUT_MIN |
OUT輸入電壓 |
IOUT=30mA |
10 |
-- |
-- |
V |
|
VOUT_BV |
OUT端口耐壓 |
IOUT=0 |
450 |
-- |
-- |
V |
|
IOUT |
輸出電流 |
-- |
10 |
-- |
100 |
mA |
|
IDD |
靜態電流 |
VOUT=10V,REXT懸空 |
-- |
0.16 |
0.25 |
mA |
|
VREXT |
REXT端口電壓 |
VOUT=10V |
-- |
0.6 |
-- |
V |
|
DIOUT |
IOUT片間誤差 |
IOUT=20mA |
-- |
±4 |
-- |
% |
|
TSC |
電流負溫度補償起始點 |
-- |
-- |
130 |
-- |
℃ |
上一條 : HX3087D低諧波高功率因素PWM調光IC
下一條 : HX1010C單路恒功率高壓線性恒流IC
